Automatic Acceleration for Wound Rotor Motors

Home | Articles | Forum | Glossary | Books

AMAZON multi-meters discounts AMAZON oscilloscope discounts

Goals:

  1. • State the advantages of using controllers to provide automatic acceleration of wound rotor motors.
  2. • Identify terminal markings for automatic acceleration controllers used with wound rotor motors.
  3. • Describe the process of automatic acceleration using reversing control.
  4. • Describe the process of automatic acceleration using frequency relays.
  5. • Connect wound rotor motor and automatic acceleration and reversal controllers using push buttons and limit switches.
  6. • Recommend troubleshooting solutions for problems with using wound rotor motors for acceleration.

Secondary resistor starters used for the automatic acceleration of wound rotor motors consist of (1) an across-the-line starter for connecting the primary circuit to the line and (2) one or more accelerating contactors to shunt out resistance in the secondary circuit as the rotor speed increases. The secondary resistance consists of banks of three uniform wye sections. Each section is to be connected to the slip rings of the motor. The wiring of the accelerating starters and the design of the resistor sections are meant for starting duty only. This type of controller cannot be used for speed regulation. The current inrush on starters with two steps of acceleration is limited by the secondary resistors to a value of approximately 250 percent at the point of the initial acceleration. Resistors on starters with three or more steps of acceleration limit the current inrush to 150 percent at the point of initial acceleration. Resistors for acceleration are generally designed to withstand one 10-second accelerating period in each 80 seconds of elapsed time, for a duration of one hour without damage.

The operation of accelerating contactors is controlled by a timing device. This device provides timed acceleration in a manner similar to the operation of primary resistor starters.

Normally, the timing of the steps of acceleration is controlled by adjustable accelerating relays.

When these timing relays are properly adjusted, all starting periods are the same regardless of variations in the starting load. This automatic timing feature eliminates the danger of an improper startup sequence by an inexperienced machine operator.

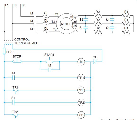
The circuit shown in ill. 1 is a typical control circuit used to accelerate a wound rotor motor with timing relays. When the start but ton is pressed, M starter is energized and all M contacts close. At this point, resistor banks R1 and R2 are connected in the rotor circuit. This provides the lowest speed for the motor. When M auxiliary contact connected in series with the coil of timer TR1 closes, the timer begins its time count. At the end of the set period, timed contacts TR1 close and energize the coil of S1 contactor. This causes the S1 contacts connected between resistor banks R1 and R2 to close, shorting out resistor bank R1. The motor now accelerates to the second speed.

The normally open S1 auxiliary contact connected in series with timer coil TR2 also closes, permitting the timer to start. At the end of the time period, timed contacts TR2 close and energize coil S2. This causes the S2 contacts connected between the motor and resistor bank R2 to close and short out all of the resistance in the rotor circuit. The motor now accelerates to the third and highest speed.


ill. 1 Typical control circuit for accelerating a wound rotor motor with three steps of speed.

AUTOMATIC ACCELERATION WITH REVERSING CONTROL

Automatic acceleration can be obtained in either direction of rotation with the addition to the circuit of reversing contactors and push buttons. The wiring of these devices is shown in ill. 2.

As described for a squirrel cage motor, a wound rotor motor can be reversed by inter changing any two stator leads.

The motor may be started in either direction of rotation-at low speed with the full secondary resistance inserted in the circuit.

For either direction of rotation, the timing relay TR is energized by the normally open auxiliary contacts (F or R). Coil TR activates the normally open, delay-in-closing contact TR. Coil S is energized when contact TR times out and closes and removes all of the resistors from the circuit to achieve maximum motor speed. The primary contactors are interlocked with the push buttons, normally closed inter locking contacts R and F, and the mechanical devices. The connections that occur if a limit switch is used are shown by the dashed lines in ill. 2. The motor will stop when the limit switch is struck and opened. In this situation, it's necessary to restart the motor in the opposite direction with the push button.

As a result, lines 1 and 3 on the primary side will be interchanged. Of course if limit switches are used, the jumper wire must be removed to avoid shunting out the operation of the limit switches.


ill. 2 Typical elementary diagram of a starter with two points of acceleration for a reversing wound rotor motor.

AUTOMATIC ACCELERATION USING FREQUENCY RELAYS

Definite timers or compensated timers may be used to control the acceleration of wound rotor motors. Definite timers, which usually consist of pneumatic or static relays, are set for the highest load current and remain at the same setting regardless of the load. The operation of a compensated timer is based on the applied load. In other words, the motor will be allowed to accelerate faster for a light load and slower for a heavy load. The frequency relay is one type of compensating timer. This relay uses the principle of electrical resonance in its operation.


ill. 3 Rotor frequency decreases as the motor approaches full speed.


ill. 4 Automatic acceleration of wound rotor motor using a simplified frequency relay system.

When a 60-hertz AC, wound rotor motor is accelerated, the frequency induced in the secondary circuit decreases from 60 hertz at zero speed to 2 or 3 hertz at full speed, ill. 3.

The voltage between the phases of the secondary circuit decreases in the same proportion from zero speed to full-speed operation. At zero speed, the voltage induced in the rotor is determined by the ratio of the stator and rotor turns.

This action is similar to the operation of a transformer. The frequency, however, is the same as that of the line supply. As the rotor accelerates, the magnetic fields induced in it almost match the rotating magnetic field of the stator. As a result, the number of lines of force cut by the rotor is decreased, causing a de crease in the frequency and voltage of the rotor.

The rotor never becomes fully synchronized with the rotating field. This is due to the slip necessary to achieve the relative motion required for induction and the operation of the rotor. The percentage of slip determines the value of the secondary frequency and voltage. If the slip is 5 percent, then the secondary frequency and voltage are 5 percent of normal.


ill. 4 illustrates a simplified frequency relay system operated by push-button starting.

This system has two contactor coils connected in parallel (A and B) and a capacitor connected in series with coil B. A three-step automatic acceleration results from this arrangement. When the motor starts, full voltage is produced across coils A and B, causing normally closed contacts A and B to open. The full resistance is connected across the secondary of the motor. As the motor accelerates, the secondary frequency decreases. This means that coil B drops out and contacts B close to decrease the resistance in the rotor circuit, resulting in continued acceleration of the motor.

The capacitor depends on the frequency of an alternating current. As the motor continues to accelerate, coil A drops out and closes contacts A, accelerating the motor further. Because the normally closed contacts are used, the secondary of the motor cannot be shunted out completely.

If the secondary could be completely removed from the circuit, the electron flow would take the path of least resistance, resulting in no energy being delivered to coils A and B on starting.

The controllers for large crane hoists have a resistance, capacitance, and inductance control circuit network that's independent of the secondary rotor resistors.

Frequency relays have a number of advantages, including:

1. Positive response.

2. Operating current drops sharply as the frequency drops below the point of resonance.

3. Accuracy is maintained because this type of relay operates in a resonant circuit.

4. Simple circuit.

5. Changes in temperature and variations in line voltage don't affect the relay.

6. An increase in motor load prolongs the starting time.

QUIZ:

1. Are the secondary resistors connected in three uniform wye or delta sections?

2. Do secondary resistors on starters with three or more steps of acceleration have more or less current inrush than those with two steps of acceleration?

3. Does reversing the secondary rotor leads mean that the direction of rotation will reverse?

4. If one of the secondary resistor contacts (S2) fails in ill. 1,what will happen?

5. In ill. 2, how many different interlocking conditions exist? Name them.

6. Referring to ill. 4,why is it not possible to remove all of the resistance from the secondary circuit?

7. If frequency relays are used in starting, why is the starting cycle prolonged with an increase in motor load?

8. If there is a locked rotor in the secondary circuit, what will be the value of the frequency?

9. Why is it necessary to remove the jumpers in ill. 2 if limit switches are used?

10. Referring to ill. 2,why must the push buttons be used to restart if the limit switches are used?

Top of Page

PREV: Push-Button Speed Selection | NEXT: Automatic Speed Control for Wound Rotor Motors Article Index | HOME