Wiring for Alternators

Home | Articles | Forum | Glossary | Books

AMAZON multi-meters discounts AMAZON oscilloscope discounts

OBJECTIVES:

• describe the connections for and the resulting operation of the direct-current field excitation circuit for an alternator.

• describe the connections for and the resulting operation of the alternator output circuit for an alternator.

• describe the connections for and the resulting operation of the instrument circuits for an alternator.



This unit presents the control panel and equipment for a three-phase, 2,400-volt alternator. The circuits and connections covered in detail are the direct-current field circuit and all control equipment; the alternating-current, three-phase output circuit with associated switchgear; and the connections for the instruments and instrument transformers used in a common installation.

DIRECT-CURRENT CIRCUIT FOR FIELD EXCITATION

The direct-current circuit requires dc bus bars, a field switch with a field discharge resistor, a dc ammeter with an external shunt, and a field rheostat. The field rheostat may be mounted on the back of the control panel with the insulated handle extending through to the front of the panel. If the field rheostat is very large, however, it cannot be mounted on the back of the switchboard; it can be mounted either near the ceiling above or in a room directly below the switchboard. In situations where large rheostats are located at a distance from the control panel, a chain and sprocket arrangement is used to connect the rheostat to the rheostat handle mounted on the control panel. As a result, the rheostat can be adjusted at the control panel.

ill. 1 illustrates the connections required for the separately excited field circuit of an alternator. Note that when the field discharge switch is open, the auxiliary blade closes to complete a path through the field discharge resistor. Thus, any inductive voltage in the alternator field is discharged through the field discharge resistor to prevent damage. The field rheostat is connected so that it's not in the discharge circuit.


ill. 1 Separately excited circuit for field connections of an alternator: ALTERNATOR OUTPUT CIRCUIT

The alternator in the installation described in this unit's rated at 2,400 volts, three phase. The three-phase, 2,400-volt output of the alternator is fed to the switchboard through a three-wire, high-voltage lead cable in galvanized rigid conduit. The three conductors are fed through an oil-type circuit breaker, current transformers, and disconnect switches to the three-phase bus bars. An oil-type circuit breaker (switch) is used because of the relatively high voltage of the alternator. As the contacts of this switch open, any arc is immediately quenched in insulating oil.

ill. 2 illustrates an electrically-operated oil switch (circuit breaker). Note that each of the three sets of contactors is mounted in a separate cell or tank which is filled with an insulating oil. The three sets of contactors thus open and close in oil. The ill. also shows a contactor assembly for one pole of a three-pole oil switch. Note the closing coil and the trip coils. The closing coil is relatively large and has a very fast positive action; the trip coil is smaller in size. The trip coil actuates a trip latch which causes the oil switch contactors to open.


ill. 2 Details of an oil-type circuit breaker: REINFORCING SPRING; MAIN CONTACT SURFACE; CLAMPING PLATE; ARCING CONTACT FINGERS

The control circuit for the oil switch in a majority of alternator installations is connected to a dc source such as a bank of batteries. If there is a complete failure of the ac power, the oil switch can still be operated from the dc source, as is true of other emergency circuits.

A small switch handle located on the switchboard is used to adjust the control circuit. Two indicating lamps also are mounted on the switchboard. One of the indicating lamps is green and is on when the oil switch is open. The second indicating lamp is red and is on when the oil switch is closed. The red lamp normally is located directly above the control switch handle and the green lamp is located below the switch handle.

ill. 3 is the schematic connection diagram of the control circuit for the oil switch. When the oil switch is in the open or off position, the green pilot lamp is on. Note that there is a path from the positive side of the line through the current-limiting resistor, through the green indicating lamp, and through the normally closed M contacts to the negative side of the line.

When the on (start) button is pressed, a circuit's established from the positive side of the line to the control relay and then to the negative side of the line. The control relay is energized and closes its contacts to establish a path through the main closing coil. The three main sets of oil switch contacts also close at this time. When the main closing relay is energized, the normally closed M contacts open. In addition, the green pilot lamp circuit opens and the two normally open M contacts close. The red indicating lamp is now on. When the on button is released, the oil switch remains in the on position due to the fact that it's secured by a mechanical latch mechanism.

When the off button is pressed, the trip coil is energized to trip the latch mechanism. The oil switch contacts thus open to the off position. As a result, the red indicating lamp goes out and the green indicating lamp lights.

The control handle and indicating lamps for an oil switch generally are mounted on the switchboard. The oil switch itself, however, is usually, but not always, located in a separate fire-proof room or vault below the switchboard room.

Current transformers are used to step down the current in the output leads of the alternator to a value which can be used in instrument circuits. Step-down current transformers also insulate the low-voltage instrument circuit from the high-voltage primary circuit. The secondary current rating of a current transformer is 5 amperes (see section on instrument transformers).The current rating of the primary winding of the transformer must be high enough to handle the maximum current delivered by the alternator.

The alternator output leads feed from the current transformers to disconnect switches and then to the three-phase bus bars. A disconnect switch is a form of knife switch which is opened with a switch stick while exposed to air. The disconnect switches are operated only after the alternator oil switch is opened. The operator must wear rubber gloves when using an approved switch stick to open the disconnect switches. Never open disconnect switches under load; this is the purpose of the oil switch. It is designed to interrupt the arc without damage.


ill. 3 Elementary control circuit for an oil circuit breaker

In most alternator installations, the three-phase bus bars are energized constantly. Since the disconnect switches disconnect the oil switch and the alternator from the bus bars, the alternator can be shut down and the disconnect switches opened to permit maintenance work on the oil switch under safe conditions. When the alternator requires maintenance or repair work, the disconnect switches are pulled to the off position even though the oil switch is open. The reason for this precaution is that the insulating oil in the oil switch may have become carbonized. The carbonized oil can act as a partial conductor resulting in a feedback from the live 2,400-volt bus bars through the oil switch and carbonized oil to the alternator terminals. Remember that the disconnect switches and the oil switch must be open when any maintenance or repair work is to be done on ac generators. The generators should also be shut down.


ill. 4 Wiring diagram of a three-phase alternator circuit

ill. 4 is a wiring diagram of typical alternator connections to the three phase bus bars.

The three bus bars for the ac output of the alternator are mounted on insulators, because the bus bars have a potential difference of 2,400 volts between them. It is important that the proper air gap be maintained between the three bus bars and that adequate clearance be provided between the bus bars and the ceiling and side walls of the room. Barriers shall be placed in all service switchboards to isolate the service bus bars and terminals from the remainder of the switchboard.

The National Electrical Code (Article 384) provides guidelines for switchboard and panelboard installations.

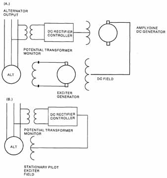
Large generators are constructed in two styles. One style uses a separate exciter dc generator and feeds the dc excitation field into the alternator rotor through brushes and slip rings. Because the field current and voltage are relatively low compared to the output of the alternator, brushes and slip rings work quite well. The other style of large generation equipment uses a brushless exciter style to supply dc to the rotor. Either method is effective and accomplishes the same task -- to provide a dc field to the rotating field of the ac generator.

To adjust the field and provide the desired output voltage, the output voltage levels must be monitored. In the brush-type rotor connection, the ac is monitored at the output and a dc field of a small dc separately-excited generator is controlled. As the output volt age drops, the dc field is increased. This small dc generator, called an amplydine, supplies the dc field to a larger dc exciter generator. The second generator then supplies dc to the alternators field, This process allows for stages of amplification of the dc field. A small change in output ac affects the dc field to the amplydine which feeds the second stage of amplification for the dc to the alternator field. A small control voltage at the amplydine level is used to control the large dc to the rotor of the generator.

Brushless exciters are discussed in Unit 11. The concept is to use a small amount of controllable dc, then amplify it and feed it to the alternator field. This process uses semi conductors to change induced ac into dc on the rotor. ill. 5 shows a block diagram of the two styles of field control.

INSTRUMENT CIRCUITS

The voltage to the potential coils of instruments mounted on the switchboard shouldn't exceed 120 to 125 volts. The voltage coils of wattmeters, watt-hour meters and volt meters usually are designed for a maximum voltage of 150 volts. Since the three-phase output of the alternator is 2,400 volts, two instrument potential transformers connected in open delta are required to step down the voltage to 120 volts, three phase (See section on instrument transformers). The potential transformers are small in size since the load on the low-voltage secondary is very small. Each potential transformer is rated at 100 to 200 volt-amperes (VA). For the installation shown in ill. 6, the load on the secondary of the transformer consists of the potential coils of the kilowatt meter and the voltmeter. The instrument potential transformers are rated at 2,400 volts on the high-voltage side and 120 volts on the low-voltage side. The low voltage at the instruments allows maintenance electricians to work more safely when making adjustments and repairs to the instruments.

The current coils of the measuring instruments mounted on switchboards are rated at a maximum current capacity of 5 amperes. In ill. 6, each of the two current coils of the three-phase kilowatt meter is connected in series with the proper current transformer.


ill. 5 A) Brush type alternator using amplydine system B) DC is produced on the rotor in the brushless exciter by mounted rectifiers: ALTERNATOR OUTPUT; AMPLYDINE DC GENERATOR; POTENTIAL TRANSFORMER MONITOR; EXCITER GENERATOR; POTENTIAL TRANSFORMER MONITOR; STATIONARY PILOT EXCITER FIELD

It is unsafe to open the secondary circuit of a current transformer when there is a current flow in the primary circuit. (See Unit on Instrument Transformers.)

ill. 6 is a wiring diagram for most of the instruments and instrument transformers described. The current in the secondary of current transformer circuits is never in excess of 5 amperes. Therefore, either No. 14 or No. 12 AWG wire is used on the rear of the switchboard.


ill. 6 A wiring diagram for instruments and potential transformers

For a majority of permanent switchboard installations, the scale readings on the instruments are graduated to include the voltage and current transformer multipliers. This means that any error made by the switchboard operator in applying instrument multipliers is automatically eliminated.

Two instruments not shown in the wiring diagram in ill. 6 are the voltmeter and the synchroscope. In typical installations, there may be several alternators operating in parallel. Each alternator has a separate panel and these panels are mounted next to one another to make up a complete switchboard. One voltmeter and one synchroscope are then mounted on a movable panel located at the end of the switchboard. The position of this panel can be adjusted so that the voltmeter and synchroscope are visible from any one of the generator control panels. A voltmeter switch located on each generator panel gives the operator a means of connecting the voltmeter to measure the voltage output of any alternator. In addition, special synchronizing switches permit the use of one synchroscope to synchronize any one of several alternators to the three-phase system.

ill. 7 shows the circuit connections for the voltmeter and synchroscope. Fig 6 indicates that the voltmeter switch has three positions. The voltmeter can be connected across any one of the three voltages of an alternator. If the voltage of a second alternator must be measured, the voltmeter switch is turned to the off position. The switch handle or key is then removed and inserted in the voltmeter switch of the second ac generator. Again, the switch may be turned to any one of the three voltage positions. Thus, one voltmeter can be used to measure the three voltages of each of several ac generators controlled through the switchboard.

A synchroscope switch is mounted on each alternator panel. When the switch handle is turned to the incoming position, the synchroscope is connected to the secondary voltage of one phase of an alternator being synchronized with the ac system. The synchroscope switch of a second alternator, which is already paralleled with the three-phase system, is connected to the run position. Thus, one coil winding of the synchroscope is energized from the running bus bars. The other winding of the synchroscope is energized from the incoming bus bars. With these connections, the synchroscope will indicate the extent the incoming machine is out of phase. When the incoming alternator is in phase with the three-phase system, and the alternator voltage is equal to that of the bus bars, the control switch can be turned to the on position. As a result, the oil switch contactors close and the alternator is paralleled with the bus bars. The oil circuit breaker is used to connect and disconnect the alternator when it's running under load. This insures safe operation and pro longs switch contact life.

SUMMARY

Connections for the alternator include the input power in the form of dc field excitation and the output power in the form of ac generated power. DC can be supplied through a dc exciter bus. The connection to an individual generator’s exciter field would then be through a field switch. The field switch must operate to supply dc to the magnetic field and also provide for the disconnection and magnetic field discharge. The output power of a generator with higher generated voltages may be through a switch designed to quench the arc when disconnecting. One such switch is the oil-type circuit breaker. These switches have arc-control systems designed for the rated voltage and current. The load-break switch is often held by a latching control circuit so that the breaker will stay closed without power consumption. Instrument circuits are used to monitor the electrical functions of the alternators and provide feedback for voltage regulation and current monitoring.


ill. 7 Circuit connections for voltmeter and synchroscope

QUIZ

1. What is the purpose of disconnect switches in an ac generator installation?

2. Why is direct current used on the control circuits of oil switches used in alternator installations?

3. Why is an oil switch normally used to interrupt the power output of an alternator?

4. Why are instrument transformers used for the instrument circuits of ac generator installations?

Top of Page

PREV: Parallel Operation of Three-Phase Alternators | NEXT: Summary of Units 11-14 | HOME